English
首頁
聯絡我們
最新消息
產品介紹
撐桿掀桿
撐桿相關資訊
傢俱/櫥櫃專區
標準型氣壓棒
安全管氣壓棒
動態阻尼氣壓棒
壓縮鎖定型PTL
開關定位型BOL
油壓阻尼棒
專屬配件
產品應用
鉸鍊系列
一般鉸鍊
一般
厚門
玻璃鉸鍊
特殊鉸鍊
油壓緩衝鉸鍊
一般
厚門
滑軌系列
緩衝滑軌
隱藏式木抽滑軌
吊輪
門檔
把手
門鎖
其他五金
新品上市
影片專區
公司簡介
產品介紹
首 頁
產品介紹
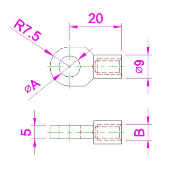
A7
A7
A7
產品尺寸規格以及材質請參照圖面。